Смотреть проект
Проектировщикам
Все проекты
Паспорта приборов
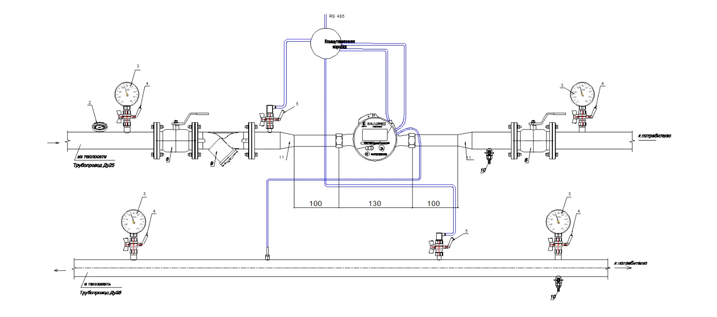
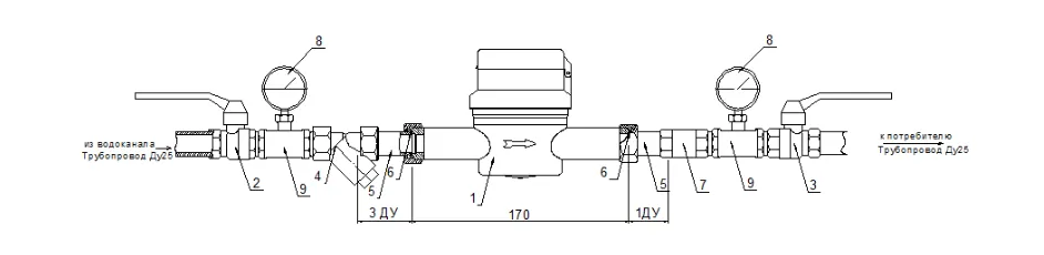
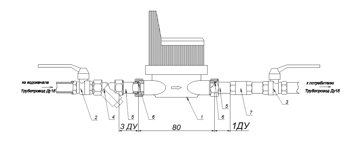
Типовые схемы для манометров
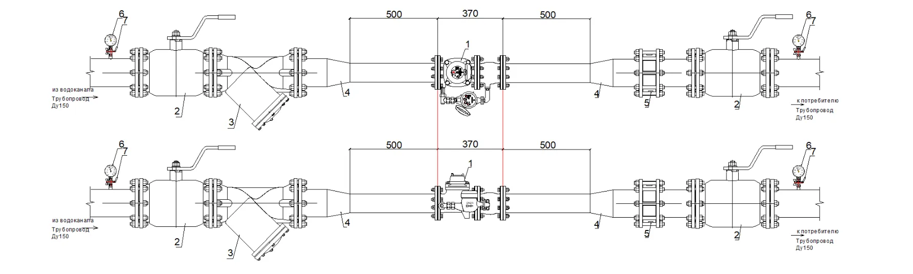
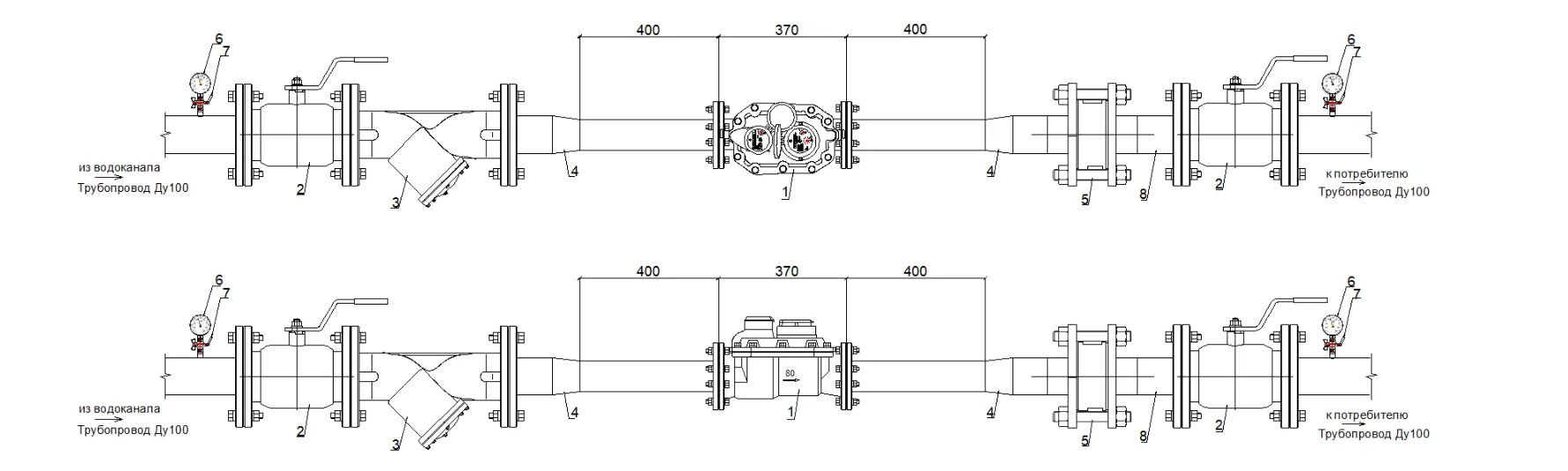
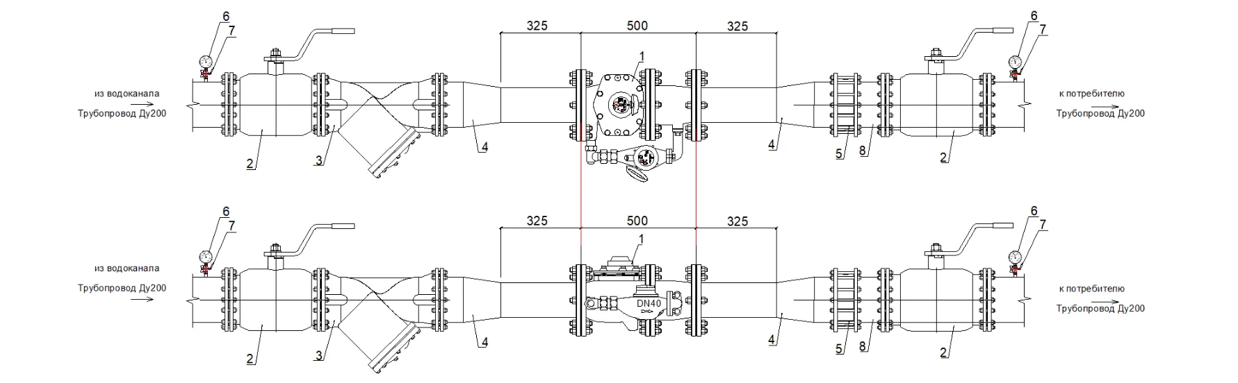
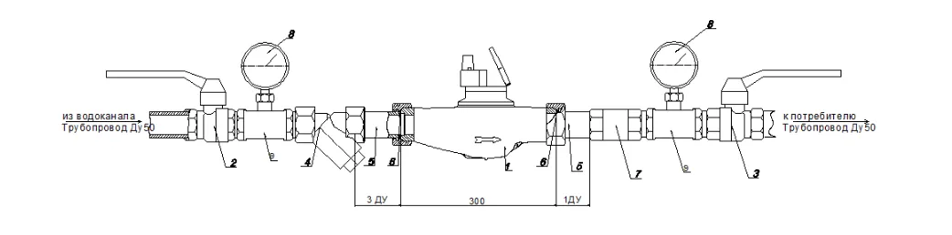
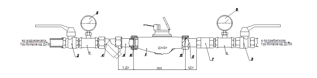
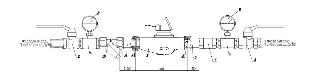
Типовые схемы для комбинированных счетчиков воды
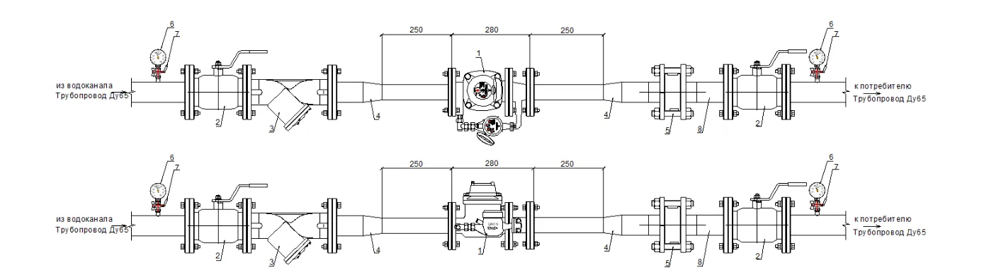
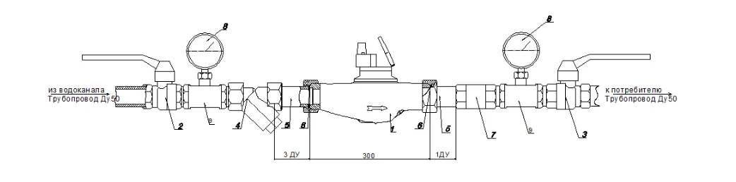
Типовые схемы счетчиков Decast
